Toggle navigation
走进广顺
产品展示
科研技术
项目案例
服务中心
新闻动态
人力资源
联系我们
首页>
带状线系列
表贴系列
波导系列
同轴系列
带状线系列
微带
大功率
CAST系列
其他
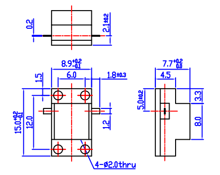
带状线系列 | TG1002E
产品简介:
产品参数
适用频率:7-18GHz
相对带宽:10%
正向损耗:≤0.4dB
反向隔离:≥20dB
驻波系数:≤1.25
负载功率:5W
走进广顺
产品展示
科研技术
项目案例
服务中心
新闻动态
人力资源
联系我们