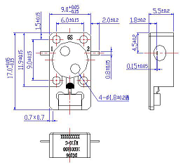
CAST系列 DGZ06

产品简介:


经过中国空间技术研究院CAST(即China Academy of Space Technology)等级认证产品,具有体积小,重量轻,性能优良,高可靠性,稳定性等优点。


产品参数

适用频率:16-18GHz

正向损耗:≤0.5dB

反向隔离:≥18dB

驻波系数:≤1.3