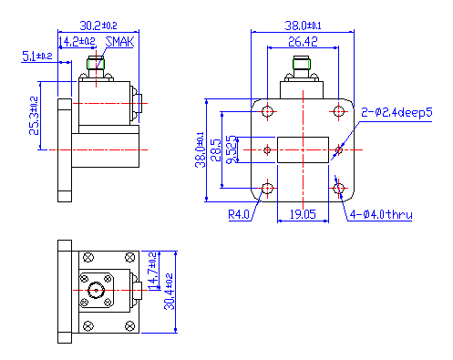
Waveguide Series | BTG120-30.2

产品简介:


产品参数


Frequency range:9.48-15GHz

Relative bandwidth:15%

Insertion loss:≤0.4dB

Reverse isolation:≥20dB

VSWR:≤1.2