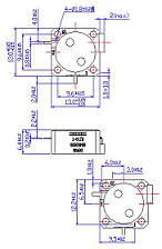
Aerospace High Grade Series DGW05

产品简介:


It has been certified by China Academy of Space Technology (CAST). It has the advantages of small volume, light weight, excellent performance, high reliability, stability and so on.


产品参数

Frequency range5.4-6.2GHz

Insertion loss:≤0.5dB

Reverse isolation:≥18dB

VSWR≤1.3